团队名称:液压元器件用新材料及其表/界面研究创新团队
1、团队负责人:丁旭
2、团队情况:
团队成员共计10人,包括教授2名,副教授3名,讲师5名,其中8人具有博士学历。团队负责人丁旭教授,硕士生导师,国家、省、市新材料行业专家,牵头联合企业共同组建了2个省级、4个市级科研创新平台,发表学术论文100余篇,出版专著1部、教材2部,编写国家和行业标准6项,授权发明专利8项、实用新型专利12项,获省/部级科技进步贰等奖5项、叁等奖3项;多项科研成果填补了国内空白;与美国普渡大学开展了国际科技项目合作,成为了中国航空发动机某研究所的合格供应商。
3、团队主要研究领域
① 液压元器件轻量化研发
② 液压元器件表/界面研究
③ 液压元器件性能测试评估研究
4、所取得的标志性成果:
(1)液压元器件轻量化高强韧镁合金研发:添加少量稀土元素,采用电磁搅拌+超声波震动等技术处理,在半连铸工艺条件下熔炼出高品质镁合金铸锭,经过热加工工艺,制备出新型高强韧变形镁合金型材,减少了镁合金铸锭热裂、内部缺陷,改善了加工性能,满足了液压元器件用镁合金材料“轻量化、高强度、耐腐蚀”等的严苛要求。


图1 新型高强韧镁合金强化机理及ZK61镁合金型材断口微观组织形貌
(2)液压元器件轻量化高性能钛合金研发:通过钛合金先进成形技术,采用纯净化高品质+数值模拟+3D多向锻造等技术处理,熔炼出高品质钛合金铸锭,经过3D多向锻造工艺,制备出大规格高性能钛合金棒材,减少了钛合金铸锭和棒材的内部缺陷,改善了加工性能,满足了液压元器件用钛合金材料“大规格、轻量化、高性能”等要求。

图2 大规格高性能钛合金锻造棒材及其微观组织形貌
(3)液压元器件高性能钛/铝复合材料研发:采用爆炸焊接的方法制备钛/铝合金复合材料,开展了爆炸焊接工艺参数的数值模拟计算,创造性地提出了选取纯铝作为中间过渡层,形成了多层轻质金属一次爆炸焊接成型的技术方法,增加了界面的结合强度,满足了液压元器件用复合材料“耐高温、耐摩擦、耐腐蚀”的使用要求。
图3 钛/铝合金爆炸焊接复合材料微观形貌



图4 钛/铝合金爆炸焊接成形过程应力分布ANSYS/LS-DYNA数值模拟
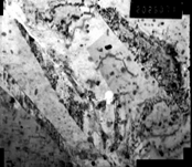
(4)液压元器件表/界面研究:利用激光增材制造技术,开展适用于液压元器件工况的多种合金粉末激光熔覆增材制造对比试验研究、元器件随形打印激光熔覆加工工艺参数研究、元器件激光增材制造耐磨防腐适用性评价等多项工作,确定适用液压元器件运行工况的激光熔覆合金粉末、可靠的激光熔覆施工工艺,解决元器件的耐磨耐腐蚀问题,延长液压元器件运行寿命,并在液压元器件新产品制造及旧元器件维修再制造中批量应用。

图5 液压元器件激光熔覆表面热影响变形控制和熔覆层及热影响区组织结构OM照片
(5)液压元器件件性能测试评估研究:根据液压元器件的结构特点,依据国内外高温疲劳相关测试标准,结合文献中关于非标试样制备要求和力学性能相关计算,研究测试涡轮盘液压挡板非标试样高温低周疲劳性能,为液压元器件在实际服役条件下的失效及预防提供可靠的理论依据。



图6 镍基高温合金涡轮盘液压挡板零部件及其高温疲劳试样断口形貌和疲劳曲线