n 设备功能/Functions
水泵性能测试试验台主要用于以水为工作介质的旋涡泵、离心泵的效率、扬程、扭矩、转速等外特性测试以及特定试验件的PIV测试。
The Comprehensive Test Bench for Water Pump is mainly applied for testing the efficiency, lift, torque and rotational speed of the vortex pump and centrifugal pump which uses water as working medium. Particle Image Velocimetry (PIV) is available for specific test sample.
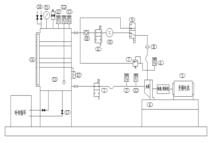
n 设备原理图与实物图/ Schematic diagram and physical diagram

图1试验台实物图/ physical diagram of the test bench

图2系统原理图/ Schematic diagram of the test bench
n 设备主要参数/Main Parameters
技术参数/Technical Parameters |
技术指标/Technical Indexes |
最大压力/ Maximum pressure |
1MPa |
最大转速/Maximum speed |
5000rpm |
最大扭矩/Maximum torque |
60N·M |
最大流量/Maximum flow |
100L/min |
工作介质/Hydraulic fluids |
清水 |
传感器精度 Sensor accuracy |
压力:Presure |
0.5% |
流量:Flow rate |
0.5% |
温度:Temperature |
0.5% |
转速:Speed |
0.5% |
转矩:Torque |
0.5% |
n 设备特点/Feature
1.水泵的安装工装有滑轨便于被测泵的更换,底部留有放水池,便于收集拆泵时流出来的水。水泵安装面便于更换不同型号的水泵。
The installation worker of the water pump is equipped with a slide rail to facilitate the replacement of the pump under test, and a drain tank is reserved at the bottom to facilitate the collection of the water flowing out when the pump is disassembled. The installation surface of water pump is convenient to replace different types of water pump.
2.集成了德国Lavision的PIV测试系统,可对透明水泵试验件进行粒子图像测速,获取内部流场信息。
The PIV test system of Lavision is integrated, which can measure the speed of transparent water pump test example with particle image and obtain the information of internal flow field
n 设备能力/ capability
中国合格评定认可委员会(CNAS)认可的能力范围 Competency Scope Approved by CNAS |
序号 № |
类别 Test object |
能力认可项目范围 Competency recognition project scope |
依据标准 standard or method |
1 |
旋涡泵 Vortex pump |
流量、转速、转矩、扬程、驱动机输入功率 Flow rate、Speed、Torque、Lift、Input power |
旋涡泵Vortex pump JBT 7743-2011 回转动力泵水力性能验收试验Rotodynamic pumps- Hydraulic performance acceptance tests-Grades 1 and 2 (ISO GB3216-2005 |

|